| 川工泵阀机械无锡有限公司 |
| 行业:五金工具 - 通用五金 |
| 地址:江苏省无锡市滨湖区,无锡市滨湖区蠡湖人家50号 |

YU-2系列耐腐耐磨液下泵,其过流部件采用性能优异的超高分子量聚乙烯(UHMWPE)整体模压而成,该材质被称为***上新颖的泵用耐腐耐磨工程塑料,突出的优点是:在所有工程塑料中,它具有优异的耐磨性、耐冲击性、抗蠕变性,同时还具有较好的耐腐蚀性能,适用于输送-20~90℃范围内的酸性、碱性清液或料浆。
YU-2-J系列耐腐耐磨液下泵是在YU-2系列液下泵的下部设置搅拌桨,能在输送液体的同时,搅拌液下沉淀物。适用于输送含固相物料的料浆或污水池、沉淀池等池、槽类容器沉淀物料的清理及输送。
该系列泵批量生产十多年来,经3000多家用户,8000多个岗位的使用,其耐温性、防腐性、机械稳定性、耐磨性以及运行费用的经济性都得到了用户的认可,因此该产品是一个性能稳定的、技术成熟的、用户欢迎的、定型的防腐型泵类产品,被老用户称为"老秀才"品种。
该系列泵能广泛应用于以下行业:
(一) 有色金属湿法冶炼业:特别适用于铅、锌、金、银、铜、锰、钴、稀土等湿法冶炼中的各种酸液、碱液、腐蚀性矿浆、电解液、废酸、污水等介质的输送。
(二) 硫酸磷肥业:稀酸、母液、含硅胶的氟硅酸、磷酸料浆等介质的输送。
(三) 水处理环保业:可输送各种带杂质的污水。
(四) ***、染料、精细化工业:可输送含溶剂的酸、碱液体、混合酸,还可输送含溶济的料浆及含溶剂的酸、碱性料浆。
(五) 其它工业生产中的腐蚀性和非腐蚀性清液或料浆的吸送。
型号标注与选型

1. YU-2系列液下泵连接筒默认为玻璃钢制作,既有较好的防腐性能,又有钢的强度。泵体与连接筒的连接以及泵体与泵盖之间的连接,均采用大螺距螺纹连接,安装维修方便。液下部位不用金属紧固螺钉,无腐蚀性损坏之虑。
2. YU-2-B型液下泵连接筒为不锈钢制作,运行稳定性更加可靠;但不适用于含有氯离子(如盐酸)、氟离子(如氢氟酸、硅氟酸)及硝酸的介质。若含有以上介质,可联系我公司对不锈钢连接筒进行包塑处理。
3. YU-2-G型支柱连接式液下泵,是对连接筒部位的改进,有三柱式或四柱式,保证了大型液下泵的结构更加稳定可靠。(建议用户提供介质工况条件,与我公司销售人员联系协助选型)
液下泵的液下深度常规品种有1.2米、1.5米、1.8米三种。如有特殊深度要求的请在订货时加以说明。
2. 液下泵安装板在本说明书上标定的是方形,用户如另有要求,可根据需求,做成圆形或其它形状的安装板。
3. 用户的工况如遇到输送大颗粒、磨蚀要求高的岗位时,请加以说明。本公司可以帮助选定特殊耐磨材料的叶轮和泵盖:材料有聚氨酯、合金钢等。
4. 用户工况中如有含氟(如氢氟酸等)或碱的介质,应加以说明,以便本公司为您选用适用的连接筒。
泵的结构简图

序号 | 名称 | 材质 | 序号 | 名称 | 材质 | 序号 | 名称 | 材质 |
1 | 过滤罩 | PP | 12 | 出液管 | PP+玻璃钢 | 23 | 轴承支架 | HT200 |
2* | 泵盖 | UHMWPE | 13* | K形密封圈 | 氟橡胶 | 24 | 上轴承下侧盖 | HT200 |
3* | 泵盖垫 | F26B | 14* | 拼圈 | UHMWPE | 25 | 上轴承 | |
4* | 泵壳 | UHMWPE | 15* | 轴套垫 | F26B | 26 | 主轴拼帽 | A3 |
5* | 锁紧螺母 | UHMWPE+A3 | 16 | 连接筒 | 玻璃钢 | 27 | 上轴承上侧盖 | HT200 |
6* | 锁紧螺母L垫 | F26B | 17 | 主轴护套 | PP | 28 | 电机支架 | HT200 |
7* | 防转螺母 | A3 | 18 | 主轴 | 40Cr钢 | 29 | 主轴联轴器 | HT200 |
8 | 华司 | 19 | 安装板 | HT200/A3 | 30* | 弹性六角块 | 聚氨酯 | |
9* | 叶轮 | UHMWPE+A3 | 20 | 下轴承下侧盖 | HT200 | 31 | 电机联轴器 | HT200 |
10* | 叶轮垫 | F26B | 21 | 下轴承 | 32 | 电机 | ||
11* | 轴套 | 99瓷 | 22 | 下轴承上侧盖 | HT200 |
注:序号后带有"*"的为易损件,供用户采购备件时参考。

序号 | 名称 | 材质 | 序号 | 名称 | 材质 | 序号 | 名称 | 材质 |
1* | 锁紧螺母 | UHMWPE+A3 | 13* | 叶轮垫 | F26B | 25 | 下轴承上侧盖 | HT200 |
2* | 锁紧螺母L垫 | F26B | 14* | K形密封圈 | 氟橡胶 | 26 | 轴承支架 | HT200 |
3* | 搅拌叶轮 | UHMWPE+A3 | 15* | 上轴套 | 99瓷 | 27 | 上轴承下侧盖 | HT200 |
4* | 搅拌叶轮垫 | F26B | 16 | 出液管 | PP+玻璃钢 | 28 | 上轴承 | |
5* | 泵盖 | UHMWPE | 17* | 拼圈 | UHMWPE | 29 | 主轴拼帽 | A3 |
6* | 泵盖垫 | F26B | 18* | 上轴套垫 | F26B | 30 | 上轴承上侧盖 | HT200 |
7* | 泵壳 | UHMWPE | 19 | 连接筒 | 玻璃钢/不锈钢 | 31 | 电机支架 | HT200 |
8* | 下轴套垫 | F26B | 20 | 主轴护套 | PP | 32 | 主轴联轴器 | HT200 |
9* | 防转螺母 | A3 | 21 | 主轴 | 40Cr钢 | 33 | 电机联轴器 | HT200 |
10 | 华司 | 22 | 安装板 | HT200/A3 | 34 | 电机 | ||
11* | 下轴套 | 99瓷 | 23 | 下轴承下侧盖 | HT200 | |||
12* | 叶轮 | UHMWPE+A3 | 24 | 下轴承 |
注:序号后带有"*"的为易损件,供用户采购备件时参考。
性能参数表
规格 | 参考型号 | 流量 | 扬程 | 电机功率 | 电机转速 | 出口直径 |
25YU-2D | 25YU-2D-3-13/0.75kW-2 | 3 | 13 | 0.75 | 2900 | 25 |
25YU-2D-3-18/1.1kW-2 | 3 | 18 | 1.1 | |||
25YU-2D-5-15/1.1kW-2 | 5 | 15 | 1.1 | |||
25YU-2D-5-20/1.5kW-2 | 5 | 20 | 1.5 | |||
32YU-2D | 32YU-2D-5-25/2.2kW-2 | 5 | 25 | 2.2 | 2900 | 32 |
32YU-2D-10-15/1.5kW-2 | 10 | 15 | 1.5 | |||
32YU-2D-10-20/2.2kW-2 | 10 | 20 | 2.2 | |||
32YU-2D-15-15/2.2kW-2 | 15 | 15 | 2.2 | |||
40YU-2D | 40YU-2D-10-30/3kW-2 | 10 | 30 | 3 | 2900 | 40 |
40YU-2D-15-20/3kW-2 | 15 | 20 | 3 | |||
40YU-2D-15-28/4kW-2 | 15 | 28 | 4 | |||
40YU-2D-20-15/3kW-2 | 20 | 15 | 3 | |||
40YU-2D-20-20/4kW-2 | 20 | 20 | 4 | |||
40YU-2D-20-30/5.5kW-2 | 20 | 30 | 5.5 | |||
40YU-2D-25-18/4kW-2 | 25 | 18 | 4 | |||
40YU-2D-25-25/5.5kW-2 | 25 | 25 | 5.5 | |||
40YU-2D-30-15/4kW-2 | 30 | 15 | 4 | |||
40YU-2-M | 40YU-2-M-20-20/4kW-4 | 20 | 20 | 4 | 1450 | 40 |
40YU-2-M-25-20/5.5kW-4 | 25 | 20 | 5.5 | |||
40YU-2-M-25-25/7.5kW-4 | 25 | 25 | 7.5 | |||
50YU-2D | 50YU-2D-30-20/5.5kW-2 | 30 | 20 | 5.5 | 2900 | 50 |
50YU-2D-30-25/5.5kW-2 | 30 | 25 | 5.5 | |||
50YU-2D-30-30/7.5kW-2 | 30 | 30 | 7.5 | |||
50YU-2D-35-20/5.5kW-2 | 35 | 20 | 5.5 | |||
50YU-2D-40-15/5.5kW-2 | 40 | 15 | 5.5 | |||
50YU-2D-40-20/7.5kW-2 | 40 | 20 | 7.5 | |||
50YU-2-H | 50YU-2-H-10-40/5.5kW-2 | 10 | 40 | 5.5 | 2900 | 50 |
50YU-2-H-20-40/7.5kW-2 | 20 | 40 | 7.5 | |||
50YU-2-H-30-40/11kW-2 | 30 | 40 | 11 | |||
50YU-2-H-30-45/15kW-2 | 30 | 45 | 15 | |||
50YU-2-M | 50YU-2-M-20-30/7.5kW-4 | 30 | 20 | 7.5 | 1450 | 50 |
50YU-2-M-30-15/5.5kW-4 | 30 | 15 | 5.5 | |||
50YU-2-M-30-25/7.5kW-4 | 30 | 25 | 7.5 | |||
50YU-2-M-40-15/7.5kW-4 | 40 | 15 | 7.5 | |||
65YU-2 | 65YU-2-40-35/11kW-2 | 40 | 35 | 11 | 2900 | 65 |
65YU-2-45-18/7.5kW-2 | 45 | 18 | 7.5 | |||
65YU-2-45-32/11kW-2 | 45 | 32 | 11 | |||
65YU-2-50-15/7.5kW-2 | 50 | 15 | 7.5 | |||
65YU-2-50-25/11kW-2 | 50 | 25 | 11 | |||
65YU-2-50-32/15kW-2 | 50 | 32 | 15 | |||
65YU-2-H | 65YU-2-H-20-50/11kW-2 | 20 | 50 | 11 | 2900 | 65 |
65YU-2-H-20-55/15kW-2 | 20 | 55 | 15 | |||
65YU-2-H-30-50/15kW-2 | 30 | 50 | 15 | |||
65YU-2-H-40-45/15kW-2 | 40 | 45 | 15 | |||
65YU-2-H-40-50/18.5kW-2 | 40 | 50 | 18.5 | |||
65YU-2-H-50-50/22kW-2 | 50 | 50 | 22 | |||
65YU-2-M | 65YU-2-M-30-30/11kW-4 | 30 | 30 | 11 | 1450 | 65 |
65YU-2-M-35-25/11kW-4 | 35 | 25 | 11 | |||
65YU-2-M-40-25/11kW-4 | 40 | 25 | 11 | |||
65YU-2-M-50-15/11kW-4 | 50 | 15 | 11 | |||
65YU-2-M-50-20/15kW-4 | 50 | 20 | 15 | |||
80YU-2 | 80YU-2-60-30/15kW-2 | 60 | 30 | 15 | 2900 | 80 |
80YU-2-60-35/18.5kW-2 | 60 | 35 | 18.5 | |||
80YU-2-80-25/15kW-2 | 80 | 25 | 15 | |||
80YU-2-80-30/18.5kW-2 | 80 | 30 | 18.5 | |||
80YU-2-100-20/15kW-2 | 100 | 20 | 15 | |||
80YU-2-100-25/18.5kW-2 | 100 | 25 | 18.5 | |||
80YU-2-100-30/22kW-2 | 100 | 30 | 22 | |||
80YU-2-100-35/30kW-2 | 100 | 35 | 30 | |||
80YU-2-120-15/15kW-2 | 120 | 15 | 15 | |||
80YU-2-M | 80YU-2-M-60-25/15kW-4 | 60 | 25 | 15 | 1450 | 80 |
80YU-2-M-80-25/18.5kW-4 | 80 | 25 | 18.5 | |||
80YU-2-M-100-20/18.5kW-4 | 100 | 20 | 18.5 | |||
100YU-2 | 100YU-2-120-20/18.5kW-2 | 120 | 20 | 18.5 | 2900 | 100 |
100YU-2-120-25/22kW-2 | 120 | 25 | 22 | |||
100YU-2-120-30/30kW-2 | 120 | 30 | 30 | |||
100YU-2-120-35/37kW-2 | 120 | 35 | 37 | |||
100YU-2-140-10/15kW-2 | 140 | 10 | 15 | |||
100YU-2-140-15/18.5kW-2 | 140 | 15 | 18.5 | |||
100YU-2-140-20/22kW-2 | 140 | 18 | 22 | |||
100YU-2-140-25/30kW-2 | 140 | 25 | 30 | |||
100YU-2-140-30/37kW-2 | 140 | 30 | 37 | |||
100YU-2-150-15/22kW-2 | 150 | 15 | 22 | |||
100YU-2-160-24/37kW-2 | 160 | 24 | 37 | |||
125YU-2 | 125YU-2-120-50/45kW-4 | 120 | 50 | 45 | 1450 | 125 |
125YU-2-150-20/30kW-4 | 150 | 20 | 30 | |||
125YU-2-150-30/37kW-4 | 150 | 30 | 37 | |||
125YU-2-150-40/45kW-4 | 150 | 40 | 45 | |||
125YU-2-180-30/37kW-4 | 180 | 30 | 37 | |||
125YU-2-200-25/37kW-4 | 200 | 25 | 37 | |||
125YU-2-200-32/45kW-4 | 200 | 32 | 45 | |||
150YU-2 | 150YU-2-200-38/55kW-4 | 200 | 38 | 55 | 1450 | 150 |
150YU-2-250-25/45kW-4 | 250 | 25 | 45 | |||
150YU-2-250-35/55kW-4 | 250 | 35 | 55 | |||
150YU-2-250-45/75kW-4 | 250 | 45 | 75 | |||
150YU-2-280-30/55kW-4 | 280 | 30 | 55 | |||
150YU-2-300-25/45kW-4 | 300 | 25 | 45 | |||
150YU-2-300-30/55kW-4 | 300 | 30 | 55 | |||
150YU-2-350-25/55kW-4 | 350 | 25 | 55 | |||
150YU-2-350-30/75kW-4 | 350 | 30 | 75 | |||
150YU-2-400-25/75kW-4 | 400 | 25 | 75 |
注:1. YU-2-J的流量、扬程等参数与YU-2相同,但电机功率要加大。
2. 表中所述参数均为用清水做试验获得,如输送其它类型的介质,电机功率随介质比重的不同而变化。欢迎来电咨询。
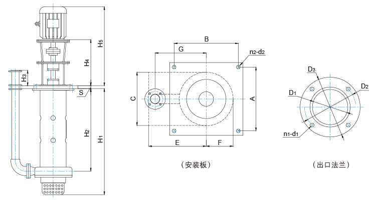
安装尺寸表

规格 | 配套电机 | 外形尺寸(mm) | 安装板尺寸(mm) | 出口法兰尺寸(mm) | 插入口尺寸(mm) | 图纸 | |||||||||||||
H1 | H2 | H3 | H4 | H5 | A | B | S | n2-d2 | D1 | D2 | D3 | n1-d1 | C | E | F | G | |||
25YU-2D | 1.1kW-2 | 1230 | 1080 | 130 | 410 | 645 | 290 | 290 | 20 | 4-Φ20 | 25 | 85 | 115 | 4-Φ14 | 230 | 290 | 115 | 245 |
|
1.5kW-2 | 1230 | 1080 | 130 | 410 | 660 | 290 | 290 | 20 | 4-Φ20 | 25 | 85 | 115 | 4-Φ14 | 230 | 290 | 115 | 245 |
| |
2.2kW-2 | 1230 | 1080 | 130 | 410 | 685 | 290 | 290 | 20 | 4-Φ20 | 25 | 85 | 115 | 4-Φ14 | 230 | 290 | 115 | 245 |
| |
32YU-2D | 2.2kW-2 | 1230 | 1080 | 130 | 410 | 685 | 290 | 290 | 20 | 4-Φ20 | 32 | 100 | 140 | 4-Φ18 | 230 | 290 | 115 | 245 |
|
3kW-2 | 1230 | 1080 | 130 | 415 | 720 | 290 | 290 | 20 | 4-Φ20 | 32 | 100 | 140 | 4-Φ18 | 230 | 290 | 115 | 230 |
| |
40YU-2D | 4kW-2 | 1155 | 1000 | 170 | 555 | 880 | 350 | 350 | 22 | 4-Φ20 | 40 | 110 | 150 | 4-Φ18 | 280 | 325 | 140 | 275 |
|
5.5kW-2 | 1155 | 1000 | 170 | 555 | 935 | 350 | 350 | 22 | 4-Φ20 | 40 | 110 | 150 | 4-Φ18 | 280 | 325 | 140 | 275 |
| |
40YU-2-M | 4kW-4 | 1540 | 1270 | 230 | 660 | 985 | 475 | 665 | 25 | 6-Φ22 | 40 | 110 | 150 | 4-Φ18 | 440 | 425 | 225 | 360 |
|
5.5kW-4 | 1540 | 1270 | 230 | 660 | 1080 | 475 | 665 | 25 | 6-Φ22 | 40 | 110 | 150 | 4-Φ18 | 440 | 425 | 225 | 360 |
| |
7.5kW-4 | 1540 | 1270 | 230 | 660 | 1040 | 475 | 665 | 25 | 6-Φ22 | 40 | 110 | 150 | 4-Φ18 | 440 | 425 | 225 | 360 | ||
50YU-2D | 5.5~7.5kW-2 | 1200 | 1000 | 170 | 555 | 935 | 350 | 350 | 26 | 4-Φ25 | 50 | 125 | 165 | 4-Φ18 | 310 | 355 | 155 | 305 |
|
50YU-2-H | 5.5~7.5kW-2 | 1155 | 1000 | 170 | 555 | 935 | 350 | 350 | 22 | 4-Φ20 | 50 | 125 | 165 | 4-Φ18 | 400 | 400 | 200 | 365 |
|
11~15kW-2 | 1220 | 1000 | 300 | 575 | 1070 | 480 | 665 | 25 | 6-Φ22 | 50 | 125 | 165 | 4-Φ18 | 400 | 400 | 200 | 365 |
| |
50YU-2-M | 3kW-4 | 1540 | 1270 | 230 | 660 | 965 | 480 | 665 | 25 | 6-Φ22 | 50 | 125 | 165 | 4-Φ18 | 440 | 425 | 225 | 365 | |
5.5kW-4 | 1540 | 1270 | 270 | 670 | 1080 | 480 | 665 | 25 | 6-Φ22 | 50 | 125 | 165 | 4-Φ18 | 440 | 425 | 225 | 365 |
| |
65YU-2 | 7.5kW-2 | 1200 | 1000 | 230 | 555 | 935 | 390 | 390 | 26 | 4-Φ25 | 65 | 145 | 185 | 4-Φ18 | 360 | 385 | 175 | 335 |
|
11~15kW-2 | 1200 | 1000 | 230 | 600 | 1070 | 390 | 390 | 26 | 4-Φ25 | 65 | 145 | 185 | 4-Φ18 | 360 | 385 | 175 | 335 |
| |
65YU-2-H | 11~15kW-2 | 1225 | 1000 | 230 | 595 | 1070 | 480 | 665 | 25 | 6-Φ22 | 65 | 145 | 185 | 4-Φ18 | 400 | 400 | 200 | 365 | |
18.5kW-2 | 1225 | 1000 | 230 | 595 | 1125 | 480 | 665 | 25 | 6-Φ22 | 65 | 145 | 185 | 4-Φ18 | 400 | 400 | 200 | 365 | ||
22kW-2 | 1225 | 1000 | 230 | 690 | 1230 | 480 | 665 | 25 | 6-Φ22 | 65 | 145 | 185 | 4-Φ18 | 400 | 400 | 200 | 365 | ||
65YU-2-M | 7.5kW-4 | 1535 | 1300 | 230 | 745 | 1185 | 620 | 780 | 25 | 6-Φ22 | 65 | 145 | 185 | 4-Φ18 | 535 | 550 | 255 | 480 | |
11kW-4 | 1535 | 1300 | 230 | 745 | 1250 | 620 | 780 | 25 | 6-Φ22 | 65 | 145 | 185 | 4-Φ18 | 535 | 550 | 255 | 480 |
| |
80YU-2 | 15kW-2 | 1510 | 1290 | 230 | 740 | 1230 | 560 | 780 | 25 | 6-Φ23 | 80 | 160 | 200 | 8-Φ18 | 355 | 465 | 190 | 390 |
|
18.5kW-2 | 1510 | 1290 | 230 | 740 | 1280 | 560 | 780 | 25 | 6-Φ22 | 80 | 160 | 200 | 8-Φ18 | 355 | 465 | 190 | 390 |
| |
22kW-2 | 1510 | 1290 | 300 | 735 | 1330 | 560 | 780 | 25 | 6-Φ22 | 80 | 160 | 200 | 8-Φ18 | 355 | 465 | 190 | 390 |
| |
30kW-2 | 1510 | 1290 | 300 | 735 | 1400 | 560 | 780 | 25 | 6-Φ22 | 80 | 160 | 200 | 8-Φ18 | 355 | 465 | 190 | 390 | ||
80YU-2-M | 11kW-4 | 1535 | 1300 | 230 | 745 | 1190 | 660 | 840 | 25 | 6-Φ22 | 80 | 160 | 200 | 8-Φ18 | 535 | 550 | 255 | 480 |
|
15kW-4 | 1535 | 1300 | 230 | 745 | 1300 | 660 | 840 | 25 | 6-Φ22 | 80 | 160 | 200 | 8-Φ18 | 535 | 550 | 255 | 480 |
| |
18.5kW-4 | 1535 | 1300 | 230 | 745 | 1325 | 660 | 840 | 25 | 6-Φ22 | 80 | 160 | 200 | 8-Φ18 | 535 | 550 | 255 | 480 |
| |
100YU-2 | 15kW-2 | 1780 | 1300 | 230 | 740 | 1230 | 560 | 780 | 25 | 6-Φ23 | 100 | 180 | 220 | 8-Φ18 | 420 | 475 | 215 | 400 |
|
18.5kW-2 | 1580 | 1300 | 230 | 740 | 1280 | 560 | 780 | 25 | 6-Φ23 | 100 | 180 | 220 | 8-Φ18 | 420 | 475 | 215 | 400 |
| |
22kW-2 | 1580 | 1300 | 230 | 740 | 1300 | 560 | 780 | 25 | 6-Φ23 | 100 | 180 | 220 | 8-Φ18 | 420 | 475 | 215 | 400 |
| |
30kW-2 | 1580 | 1300 | 230 | 760 | 1425 | 560 | 780 | 25 | 6-Φ23 | 100 | 180 | 220 | 8-Φ18 | 420 | 475 | 215 | 400 |
| |
37kW-2 | 1580 | 1300 | 230 | 760 | 1425 | 560 | 780 | 25 | 6-Φ23 | 100 | 180 | 220 | 8-Φ18 | 420 | 475 | 215 | 400 | ||
125YU-2 | 15kW-6 | 1700 | 1160 | 230 | 850 | 1445 | 655 | 885 | 25 | 10-Φ25 | 125 | 210 | 250 | 8-Φ18 | 575 | 580 | 295 | 470 |
|
18.5kW-4 | 1700 | 1160 | 230 | 850 | 1410 | 655 | 885 | 25 | 10-Φ25 | 125 | 210 | 250 | 8-Φ18 | 575 | 580 | 295 | 470 |
| |
30kW-4 | 1700 | 1160 | 230 | 850 | 1510 | 655 | 885 | 25 | 10-Φ25 | 125 | 210 | 250 | 8-Φ18 | 575 | 580 | 295 | 470 |
| |
37kW-4 | 1700 | 1160 | 230 | 850 | 1525 | 655 | 885 | 25 | 10-Φ25 | 125 | 210 | 250 | 8-Φ18 | 575 | 580 | 295 | 470 |
| |
45kW-4 | 1700 | 1160 | 230 | 850 | 1550 | 655 | 885 | 25 | 10-Φ25 | 125 | 210 | 250 | 8-Φ18 | 575 | 580 | 295 | 470 |
| |
150YU-2 | 37kW-4 | 1700 | 1160 | 230 | 850 | 1525 | 655 | 885 | 25 | 10-Φ25 | 150 | 240 | 285 | 8-Φ23 | 575 | 580 | 295 | 470 |
|
45kW-4 | 1700 | 1160 | 230 | 850 | 1550 | 655 | 885 | 25 | 10-Φ25 | 150 | 240 | 285 | 8-Φ23 | 575 | 580 | 295 | 470 |
| |
55kW-4 | 1700 | 1160 | 230 | 850 | 1635 | 655 | 885 | 25 | 10-Φ25 | 150 | 240 | 285 | 8-Φ23 | 575 | 580 | 295 | 470 |
| |
75kW-4 | 1700 | 1160 | 230 | 850 | 1710 | 655 | 885 | 25 | 10-Φ25 | 150 | 240 | 285 | 8-Φ23 | 575 | 580 | 295 | 470 |
| |
注:1. YU-2-J系列泵的安装尺寸图表在订货时为客户提供。
2. 插入口尺寸为安装板以下泵的***大实体外形尺寸。
3. 本安装尺寸为液下深度1.2m。如液下深度为1.5m、1.8m时,除H1、H2尺寸相应变化外,其余尺寸不变。
4. 本公司保留技术改进及尺寸修正的权利,恕不通知用户。
使用说明
将泵垂直固定于所需的位置上,连接好出口管路。安装完毕,应用手盘动联轴器,看看是否运转灵活,如转动不灵活或有不正常噪音、卡死等异常,应重新拆泵检查,清理异物,***噪音,或通过增减叶轮垫调整叶轮与泵体之间的间隙,此间隙应保证在1~2mm之间,通过增减泵盖垫调整叶轮与泵盖之间的间隙,此间隙应保证在1~2mm之间,安装好后,再盘动联轴器,如此反复直到动转灵活方可接电,按启动程序使泵进入工作状态。
接通电源点启动,查看电机转动方向与泵上箭头所指方向是否一致,如不一致应重新接线调整;电机运转正常后应慢慢开启出口阀门至所需的工作状态。
先关闭出口阀门,再关电源。
YU-2系列泵的拆卸顺序:(参见泵的结构简图)
a. 先拆下出液管12;
b. 旋下过滤罩1(右旋螺纹),旋下泵盖2,取下泵盖垫3;
c. 旋下锁紧螺母5、防转螺母7,依此拆下锁紧螺母垫6、华司8、叶轮9、叶轮垫10、轴套11;
d. 旋下泵体4(右旋螺纹),拧下拼圈14(左旋螺纹),取出K型密封圈13。
YU-2-J系列泵的拆卸顺序:(参见泵的结构简图)
a. 先拆下出液管16;
b. 旋下锁紧螺母1、防转螺母9,依此拆下锁紧螺母垫2、华司10、搅拌叶轮3、搅拌叶轮垫4、下轴套11及下轴套垫8;
c. 旋下泵盖5,取下泵盖垫6,取下叶轮12、叶轮垫13、上轴套15;
d. 旋下泵体7(右旋螺纹),拧下拼圈17(左旋螺纹),取出K型密封圈14。
安装顺序与拆卸顺序相反,应特别注意各部位垫片的安装。
由于该泵的大部分零件是塑料制成的,故不能对其进行强力冲击和扭曲,以免产生不必要的损坏。
© 2022 ce114.com 版权所有:福建腾媒传媒有限公司 全国服务热线:4000-597-400 增值电信业务经营许可证编号:闽B2-20200538
ICP备案/许可证号:闽ICP备2022014755号-2 商标注册号:35309124